Копчение продуктов — это традиционный метод консервирования и придания уникального вкуса, который набирает популярность среди любителей домашнего приготовления. В этой статье мы расскажем, как сделать коптильню для горячего копчения с гидрозатвором, обеспечивающую герметичность и сохранение ароматов дыма без перегрева продуктов. Вы узнаете о необходимых материалах, этапах сборки и важных нюансах для создания идеальной коптильни, которая порадует вас и ваших близких насыщенным вкусом копченостей.
Зачем нужен гидрозатвор в коптильне
Гидрозатвор представляет собой желоб, который располагается в верхней части коптильни по всему периметру (с внутренней или внешней стороны). В этот желоб помещаются края крышки, когда коптильня закрыта. Однако, даже при самом плотном прижатии крышки, добиться полной герметичности не получится — значительное количество дыма будет уходить в атмосферу.
Для достижения 100%-ной герметичности и был разработан гидрозатвор. Он эффективно предотвращает утечку дыма и, соответственно, аромата. Благодаря этому продукты быстрее поддаются копчению, получают более насыщенный вкус, а время их нахождения в коптильне сокращается (чем менее интенсивной будет термическая обработка при копчении, тем лучше). Именно для этой цели и создан гидрозатвор. Кроме того, он не позволяет воздуху извне попасть внутрь камеры копчения, что помогает избежать возгорания щепы. Для отвода избыточного давления предусмотрено отверстие, в которое устанавливается воздушный клапан обратного хода.
Гидрозатвор также необходим при холодном копчении, но в этом случае его можно заменить уплотнительной резинкой из пищевого ПВХ. Однако в коптильнях для горячего копчения такой вариант не подойдет, так как пластик может расплавиться.
Эксперты в области домашнего копчения отмечают, что самостоятельное изготовление коптильни для горячего копчения с гидрозатвором является отличным способом не только сэкономить средства, но и получить уникальный продукт, соответствующий личным предпочтениям. Они подчеркивают, что такой подход позволяет контролировать процесс копчения, выбирая древесину и специи, что значительно влияет на вкус готового продукта.
При этом специалисты рекомендуют уделить особое внимание материалам, из которых будет изготовлена коптильня, чтобы избежать выделения вредных веществ при нагревании. Гидрозатвор, в свою очередь, обеспечивает оптимальный уровень влаги и предотвращает попадание дыма в окружающую среду, что делает процесс более безопасным.
Кроме того, эксперты советуют ознакомиться с различными конструкциями и схемами, доступными в интернете, чтобы выбрать наиболее подходящий вариант. Правильное планирование и тщательная реализация проекта позволят создать эффективное устройство, которое станет настоящей находкой для любителей копченостей.

Как работает коптильня с гидрозатвором
Коптильня представляет собой герметичную емкость, в которую на дно помещается щепа. При нагревании она начинает выделять дым, который проникает в мясо, рыбу, сыр или овощи, придавая им уникальный вкус. В верхней части коптильни установлен гидрозатвор, который предотвращает выход дыма наружу. Однако при нагреве щепы образуется газ, а воздух внутри расширяется, что приводит к повышению давления. Для его регулирования предусмотрен клапан обратного хода, который открывается при достижении определенного давления, позволяя сбросить избыточный газ, а затем закрывается, чтобы не допустить попадания воздуха снаружи, что может привести к возгоранию щепы.
Слой воды в коптильне обеспечивает полную герметичность внутренней камеры. Рекомендуемая «толщина» гидрозатвора составляет не менее 0,5 сантиметров.
Важно отметить, что для небольших домашних коптилен объемом до 0,8-1 м³ установка клапана обратного хода не является обязательной. Даже при длительном процессе копчения в таких устройствах практически невозможно создать избыточное давление, превышающее 2 атмосферы, что является пределом для коптильни, изготовленной из листовой стали толщиной 1,5 мм.
| Материал | Преимущества | Недостатки |
|---|---|---|
| Нержавеющая сталь | Долговечность, гигиеничность, устойчивость к коррозии, легкость в уходе | Высокая стоимость, сложность обработки |
| Оцинкованная сталь | Низкая стоимость, доступность | Возможность выделения вредных веществ при высоких температурах, подвержена коррозии |
| Черная сталь | Низкая стоимость, легкость обработки | Подвержена коррозии, требует дополнительной обработки (краска, антикоррозийное покрытие) |
| Дерево (дуб, бук) | Экологичность, придает продуктам специфический аромат, привлекательный внешний вид | Недолговечность, подвержено гниению, требует специальной обработки |
Интересные факты
Вот несколько интересных фактов о самостоятельном изготовлении коптильни для горячего копчения с гидрозатвором:
-
Принцип работы гидрозатвора: Гидрозатвор в коптильне служит для предотвращения попадания дыма и запахов в окружающую среду, а также для защиты от попадания влаги и насекомых. Он позволяет выходить излишкам дыма, создавая при этом необходимую циркуляцию воздуха внутри коптильни, что способствует равномерному прогреву и копчению продуктов.
-
Материалы для изготовления: Для создания коптильни можно использовать различные материалы, такие как металл, дерево или кирпич. Однако важно учитывать, что металл должен быть устойчив к коррозии, а дерево — обработано специальными составами для защиты от влаги и гниения. Многие мастера предпочитают использовать нержавеющую сталь или алюминий, так как они не влияют на вкус копчёностей.
-
Регулировка температуры: В процессе горячего копчения температура играет ключевую роль. Самодельные коптильни часто оснащаются термометрами и регулируемыми вентиляционными отверстиями, что позволяет контролировать температуру внутри камеры. Это особенно важно для достижения оптимальных результатов при копчении различных продуктов, таких как рыба, мясо или овощи.

Виды
Коптильни с водяным затвором можно условно классифицировать на несколько типов:
- Домашние. Эти устройства подходят для использования в квартире, так как дым отводится через специальный шланг.
- Финские. Основное отличие заключается в конструкции. В таких коптильнях продукты можно не только укладывать, но и подвешивать на специальные крючки с зазубринами.
- Вертикальные. Обычно состоят из двух частей: камеры и дымогенератора с охладителем. Они идеально подходят для создания коптилен холодного копчения, но имеют большие размеры.
- Двухъярусные. Это стандартная конструкция (ящик с отделением для щепы внизу и решёткой для продуктов сверху), но с двумя уровнями. Нижний ярус предназначен для копчения мяса и рыбы, а верхний — для сыра и овощей, где температура ниже примерно на 30-40%.
Тем не менее, принцип работы всех этих коптилен остается одинаковым.

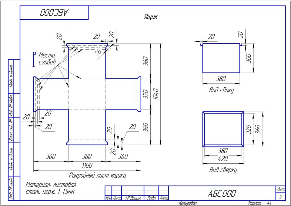
Схема и чертежи
Чертежи для домашних коптилен можно найти на специализированных форумах. Обычно предлагается следующая конструкция:
- корпус размером 500x300x300 миллиметров (в этом случае клапан для выхода воздуха не является обязательным, если копчение осуществляется на улице);
- крышка (505×305 миллиметров), которую можно дополнить шлангом для отвода дыма, устойчивым к высоким температурам;
- желоб для гидрозатвора — по периметру верхней части (с внешней стороны), выступающий на 10 миллиметров.
На расстоянии 4-5 сантиметров от верхней грани устанавливается решётка (крепится за выступы или обод);
В нижней части коптильни, на расстоянии не менее 4-5 сантиметров от дна, располагается маслосборник (металлическая миска, поднос или противень на подставке). Без него копчение не рекомендуется. Масло, капая на раскалённую щепу, придаёт сильную горечь, и продукт (мясо, сыр, овощи, рыба) получится невкусным.
С такими размерами коптильня оказывается достаточно мобильной. Её легко можно разместить в багажнике автомобиля, а на костре она разогревается до «рабочего состояния» всего за 4-6 минут.
Необходимые инструменты и материалы
Необходимые материалы:
- листовая сталь толщиной не менее 1,5 миллиметра (для создания короба, крышки и желоба);
- металлическая решётка;
- подставка и маслосборник;
- регулируемый обратный воздушный клапан, гибкий шланг, способный выдерживать высокие температуры.
Для боковых стенок и крышки можно использовать листовую сталь толщиной от 0,8 до 1,2 мм. Для дна рекомендуется выбирать сталь толщиной не менее 2 мм (оптимально 3 мм), чтобы избежать деформаций даже при сильном нагреве.
Что касается инструментов, вам понадобятся:
- сварочный аппарат (с электродами, подходящими для сварки листовой стали выбранной толщины);
- болгарка (с дисками для резки и шлифовки металла);
- дрель с ступенчатым сверлом по металлу (если планируется установка клапана и шланга для отвода дыма);
- молоток.
Также будет полезно подготовить наждачную бумагу «нулёвку» для финальной шлифовки всех швов, углов и мест соединений.
Как правильно сделать
Коптильня горячего копчения с гидрозатвором создаётся по следующему алгоритму:
- В первую очередь изготавливается корпус для будущей коптильни.
- На внутренней поверхности короба, на боковых стенках, привариваются стальные полосы (параллельно дну, на высоте 20-25 см) — они будут служить держателями для решётки.
- На верхней части короба снаружи устанавливается желоб. Для этого можно применить П-образный профиль. Высота желоба составляет 1-2 см, ширина — 1 см.
- Из листового металла, размеры которого превышают длину и ширину короба на 10 миллиметров, вырезается крышка. Края (по 5 миллиметров с каждой стороны) загибаются под прямым углом. Для этого нужно сделать диагональные надрезы в углах, загнуть края листа стали с помощью молотка, а образовавшиеся щели — заварить.
- При необходимости в крышке следует подготовить отверстие, приварить трубку с внутренней резьбой, установить в неё клапан обратного хода и надеть сверху гибкий шланг длиной 2-3 метра.
Заключительный этап — это проверка работоспособности коптильни с гидрозатвором, сделанной своими руками. Достаточно положить щепу, разжечь огонь, накрыть конструкцию крышкой и налить воду в желоб. Важно убедиться, что вся конструкция герметична, а швы хорошо заварены, без пустот.
Как пользоваться
На дно коптильни укладывается щепа из фруктовых деревьев, которую предварительно следует замочить в воде. Размер фракции должен быть средним (3-5 мм). Над дном устанавливается подставка с маслосборником, которая должна находиться прямо над местом, где будут размещаться продукты для копчения. Сверху помещается решётка, на которую укладывается заранее подготовленное мясо, рыба, сыр или овощи. Вся конструкция закрывается крышкой, а в желоб заливается вода до верхнего края крышки.
Коптильню можно разместить на газовой плите на минимальном огне или установить на подставку над тлеющими дровами (такую подставку можно сделать из кирпичей). Примерно через 4-5 минут внутри начнёт активно выделяться дым. Щепа не воспламеняется, так как к ней нет доступа воздуха. Если копчение происходит в помещении, шланг выводится наружу. Через него также стравливаются излишки газа для нормализации давления внутри. Процесс горячего копчения занимает от 2 минут (для сыра) до 180 минут (для стейков из говядины).
Таким образом, для тех, кто умеет работать со сварочным аппаратом и болгаркой, создание коптильни с гидрозатвором не составит труда. При этом её стоимость будет в 3-4 раза ниже, чем у готового фабричного изделия.
Уход и обслуживание коптильни
Уход и обслуживание коптильни для горячего копчения с гидрозатвором являются важными аспектами, которые обеспечивают долговечность устройства и качество копчёных продуктов. Правильный уход не только продлевает срок службы коптильни, но и предотвращает появление неприятных запахов и загрязнений, которые могут повлиять на вкус копчёных изделий.
Первым шагом в уходе за коптильней является регулярная очистка. После каждого использования необходимо тщательно промыть внутренние стенки и решётки коптильни. Для этого можно использовать горячую воду с добавлением мягкого моющего средства. Важно избегать агрессивных химикатов, которые могут повредить поверхность и оставить вредные остатки. После мытья все детали следует хорошо просушить, чтобы предотвратить коррозию.
Особое внимание стоит уделить гидрозатвору. Он играет ключевую роль в поддержании нужной температуры и влажности внутри коптильни. Регулярно проверяйте его на наличие загрязнений и отложений. Если гидрозатвор забивается, это может привести к нарушению работы коптильни. Для очистки можно использовать тёплую воду и мягкую щётку. Убедитесь, что все отверстия свободны и не заблокированы.
Также важно следить за состоянием дров и щепы, которые используются для копчения. Они должны быть сухими и качественными, так как влажные или низкокачественные материалы могут привести к образованию смол и неприятного запаха. Храните дрова в сухом месте, защищённом от влаги.
Не забывайте о регулярной проверке всех соединений и уплотнений коптильни. Со временем они могут изнашиваться, что приведёт к утечкам дыма и снижению эффективности копчения. Если вы заметили повреждения, замените уплотнители или отремонтируйте соединения, чтобы обеспечить герметичность.
Наконец, рекомендуется периодически проводить глубокую очистку коптильни. Это можно делать раз в несколько месяцев, в зависимости от интенсивности использования. Для этого разберите коптильню на составные части и очистите каждую деталь отдельно. Используйте специальные средства для удаления жира и копоти, если это необходимо.
Следуя этим простым рекомендациям по уходу и обслуживанию, вы сможете не только продлить срок службы вашей коптильни, но и наслаждаться качественными и вкусными копчеными продуктами на протяжении долгого времени.
Вопрос-ответ
Можно ли использовать оцинкованные ведра для коптильни?
Если продукт жирный, рекомендую защитить щепу, положив на нее металлический противень, иначе во вкусе может появиться горечь. Важно! Для коптильни нельзя использовать оцинкованные ведра, так как при нагревании цинк выделяет вредные вещества.
Из какого материала лучше всего построить коптильню?
Фаустман и Блоджетт рекомендуют использовать шпунтованную сосну, поскольку она проста в обработке и экономична. При необходимости шпунт на внешнем крае стен можно удалить канцелярским ножом.
Нужна ли гидрозатвор для коптильни?
Гидрозатвор играет роль изолятора и создаёт полную герметичность коптильни. С ним дым не проникает в квартиру, а выходит через дымоотвод. Чтобы гидрозатвор работал, заполните его водой перед включением нагрева.
Какой толщины должна быть коптильня горячего копчения?
Чтобы понять, какая коптильня лучше, стоит обратить внимание на такие показатели: 1. Материал. Установка должна быть выполнена из качественной нержавеющей стали с толщиной стенок не менее 1,5 мм.
Советы
СОВЕТ №1
Перед началом изготовления коптильни тщательно изучите различные конструкции и материалы. Выбор правильного материала, такого как нержавеющая сталь или алюминий, обеспечит долговечность и безопасность вашего устройства.
СОВЕТ №2
Обратите внимание на размеры коптильни. Определите, сколько продуктов вы планируете коптить одновременно, и выберите размеры, которые позволят вам удобно размещать продукты, не перегружая коптильню.
СОВЕТ №3
При установке гидрозатвора убедитесь, что он правильно функционирует. Он должен предотвращать попадание дыма и запахов в окружающую среду, но при этом обеспечивать выход избыточного давления. Проверьте его герметичность перед первым использованием.
СОВЕТ №4
Не забывайте о безопасности при работе с огнем и горячими поверхностями. Используйте защитные перчатки и очки, а также следите за тем, чтобы коптильня находилась на безопасном расстоянии от легковоспламеняющихся материалов.




